1.8°57mm兩相混合式步進電機
1.8°57MM (NEMA23)2PHASE HYBRID STEPPER MOTOR
基本性能 /Genaral Specification:
項目 ltem | 性能 Specifications |
步距角 Step Angle | 1.8° |
溫升 Temperature Rise | 85°Cmax |
環境溫度 Ambient Temperature | -20°C-+50°C |
絕緣電阻 Insulation Resistance | 100 MΩMin.500VDC |
絕緣等級 Insulation class | B |
電氣強度 Dielectric Strength | 500VAC for 1 minute |
徑向間隙 Shaft Radial Play | 0.02Max.(450g) |
軸向間隙 Shaft Axial Play | 0.08Max.(450g) |
最大徑向壓力 Max.radial force | 28N(20mm from the flange) |
最大軸向壓力 Max.axial force | 14N |
電機規格
Electrical Specifications
型號 Model No | 步距角 Step Angle | 機身 Model Length | 電流 Current phase | 電阻 Resistance phase | 電感 Inductance phase | 靜扭矩 Holding Torque | 轉子慣量 Rotor Inertia | 定位扭矩 Dentent Torque | 引出線 Number of Leads | 重量 Weight |
| (°) | mm | A | Ω | mH | N.M | g.cm2 | g.cm | NO. | g | |
| S57BYGH41-200A4 | 1.8 | 41 | 2.0 | 1.2 | 2.5 | 0.55 | 150 | 250 | 4 | 470 |
| S57BYGH56-300A4 | 1.8 | 56 | 3 | 1.1 | 3 | 1 | 280 | 350 | 4 | 680 |
| S57BYGH78-300A4 | 1.8 | 78 | 3.0 | 0.5 | 2.4 | 1.6 | 440 | 600 | 4 | 1050 |
| S57BYGH78-400A4 | 1.8 | 78 | 4.0 | 0.38 | 1.8 | 1.6 | 440 | 600 | 4 | 1050 |
| S57BYGH84-300A4 | 1.8 | 84 | 3.0 | 0.57 | 2.5 | 2.0 | 530 | 600 | 4 | 1130 |
| S57BYGH84-400A4 | 1.8 | 84 | 4.0 | 0.7 | 2.7 | 2.0 | 530 | 1000 | 4 | 1130 |
| S57BYGH100-300A4 | 1.8 | 100 | 3.0 | 0.89 | 3.4 | 2.4 | 680 | 1100 | 4 | 1250 |
| S57BYGH100-420A4 | 1.8 | 100 | 4.2 | 0.9 | 3.8 | 2.2 | 680 | 1100 | 4 | 1250 |
| S57BYGH112-300A4 | 1.8 | 112 | 3.0 | 1.6 | 6.8 | 2.2 | 800 | 1200 | 4 | 1400 |
| S57BYGH112-420A4 | 1.8 | 112 | 4.2 | 0.9 | 3.8 | 2.5 | 800 | 1200 | 4 | 1400 |
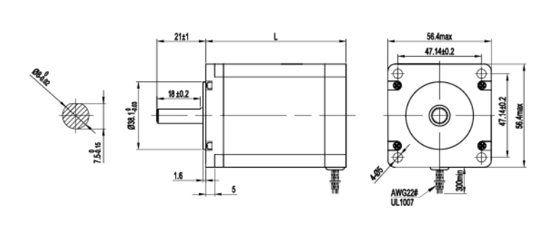
電機外形尺寸
Dimensions
單位
Unit=mm

接線圖
Wiring Diagram
