S36BLR直流無刷電機
S36BLR BRUSHLESS DC MOTOR
基本性能
Genaral Specification
項目 ltem | 性能 Specifications |
繞組方式 Winding Type | 星形 star |
霍爾角度 Hall Effectangle | 120° |
環境溫度 Ambient Temperature | -20°C - +50°C |
絕緣電阻 Insulation Resistance | 100 MΩMin.500 VDC |
絕緣等級 Insulation class | B |
電氣強度 Dielectric Strength | 700 VAC for 1 minute |
IP等級 Class of lP | 30 |
電機規格
Electrical Specifications
型號 Model | S36BLR40-140 | S36BLR40-250 | S36BLR50-260 | S36BLR60-280 |
極數 Number of poles | 4 | 4 | 4 | 4 |
相數 Number of phases | 3 | 3 | 3 | 3 |
額定電壓 Nominal voltage VDC | 12 | 24 | 24 | 24 |
額定轉速 Rated speed RPM | 4000 | 5000 | 6000 | 8000 |
額定扭矩 Rated torque m N.M | 12 | 12 | 20 | 30 |
輸出功率 Output power W | 5 | 6.2 | 12 | 25 |
峰值扭矩 Peak torque m N.M | 36 | 36 | 63 | 90 |
峰值電流 Peak current Amps | 1.6 | 1.1 | 2.1 | 3.8 |
力矩常數 Torque constant N.M/A | 20.8 | 35.2 | 30.6 | 24.1 |
轉動慣量 Rotor inertia g.cm2 | 4.5 | 4.5 | 8.2 | 12 |
機身長度 Body length mm(L) | 40 | 40 | 50 | 60 |
重量 Mass Kg | 0.15 | 0.15 | 0.18 | 0.22 |
傳感器 sensor | 霍爾 Honeywell | |||
產品防護等級 Product Class of lP | IP30 | |||
存儲環境溫度 Storage ambient temperature | -25°C-+70°C | |||
產品表面溫度 Product surface temperature | <80°C | |||
環境濕度 Ambient humidity | 85% RH或以下《無結露) <=85% RH | |||
工作環境 Working environment | 戶外(無陽光直射),無腐蝕氣體,無易燃氣體,無油霧,無塵埃 No direct sunlight,non-corrosive gas, none flammable gas ,no oil misit,no dust | |||
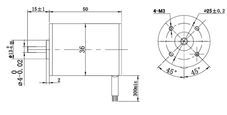
電機外形尺寸
Dimensions
單位
Unit=mm

接線圖
Wiring Diagram
