1.8°20mm兩相混合式步進電機
1.8°20MM (NEMA8)2PHASE HYBRID STEPPER MOTOR
基本性能
Genaral Specification
項目 ltem | 性能 Specifications |
步距角 Step Angle | 1.8° |
溫升 Temperature Rise | 85°Cmax |
環境溫度 Ambient Temperature | -20°C-+50°C |
絕緣電阻 Insulation Resistance | 100 MΩMin.500VDC |
絕緣等級 Insulation class | B |
電氣強度 Dielectric Strength | 500VAC for 1 minute |
徑向間隙 Shaft Radial Play | 0.02Max.(450g) |
軸向間隙 Shaft Axial Play | 0.08Max.(450g) |
最大徑向壓力 Max.radial force | 28N(20mm from the flange) |
最大軸向壓力 Max.axial force | 10N |
電機規格
Electrical Specifications
型號 Model No | 步距角 Step Angle | 機身 Model Length | 電流 Current phase | 電阻 Resistance phase | 電感 Inductance phase | 靜扭矩 Holding Torque | 引出線 Number of Leads | 重量 Weight |
| (°) | mm | A | Ω | mH | g.cm | NO. | g | |
| S20BYGH30-050A4 | 1.8 | 30 | 0.5 | 4.8 | 1.3 | 180 | 4 | 50 |
| S20BYGH42-050A4 | 1.8 | 42 | 0.5 | 7.5 | 2.4 | 250 | 4 | 90 |
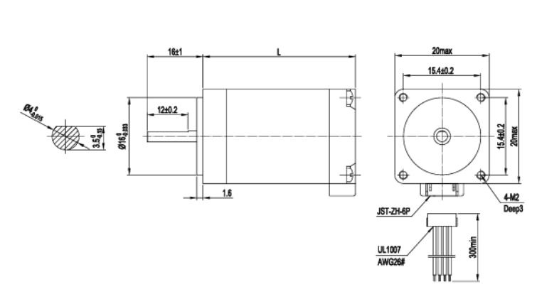
電機外形尺寸
Dimensions
單位
Unit=mm

接線圖
Wiring Diagram
